
產品簡介:氣體保護振動篩是一種高精度細粉篩分機械,其快速換網僅需3-5分種,適合于粒、粉、液等物料的篩分過濾。氣體保護振動篩型號是從φ400-φ1800mm直徑,氣體保護振動篩價格根據材質和直徑大小、層數價格不同。
咨詢報價銷售熱線:0373-268 2333
氣體保護振動篩是一種高精度細粉篩分機械,其噪音低,效率高,快速換網僅需3-5分種,全封閉結構,適合于粒、粉、液等物料的篩分過濾。氣體保護振動篩型號是從φ400-φ1800mm直徑,氣體保護振動篩價格根據材質和直徑大小、層數價格不同。

氣體保護振動篩是新鄉大漢機械新研發出的全新設備,由于是一次嘗試做這樣的設備,我們公司的全體技術人員克服重重技術難題,還有我們的生產人員堅持不懈的體力勞動。我們完成了新鄉大漢機械在篩分行業中新的突破。
子母式、沖壓式網架設計,3-5分鐘篩網更換即可完成,換網用2人即可,整機、篩網壽命長,耗能少、維修費用低。DH三次元旋振篩振動源產生的三次元振動,強大而平穩,設備可安裝到所需位置且便于移動。

氣體保護篩分機是針對某些物料的特性加裝的,比如有些物料不能接觸氧氣,二氧化碳等等,氣體保護振動篩效率高,設計精巧耐用,粉類、粘液均可篩分,網孔不堵塞、粉末不飛揚;雜質、粗料自動排出,可連續作業。

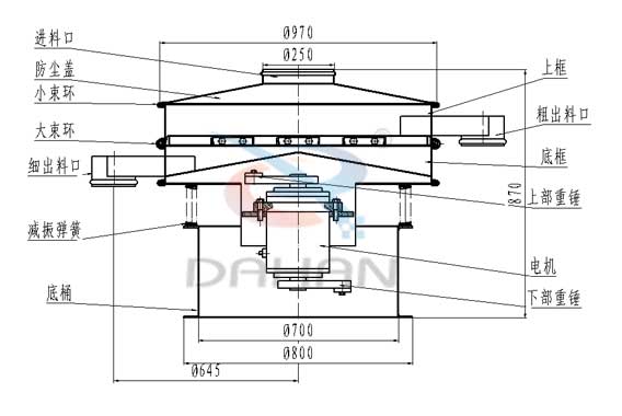
氣體保護振動篩是直徑600mm型號,一層兩個出料口,加有氣體保護裝置,與物料接觸部分是304材質,采用立式振動電機作為激振源,電機上、下兩端安裝有偏心重錘,將電機的旋轉運動轉變為水平、垂直、傾斜的三次元運動,再把這個運動傳遞給篩面。



1.效率高、設計精巧耐用,粉類、粘液均可篩分。
2.換網容易、操作簡單、清洗方便。

3.網孔不堵塞、粉末不飛揚、可篩至500目或0.028mm。
4.雜質、粗料自動排出,可以連續作業。
5.獨特網架設計,篩網使用時間長久,換網快,只需3—5分鐘。
6.體積小,節省空間,移動方便。
7.篩機高可以迭到五層,建議使用三層。


| 型 號 | DH-600 | DH-800 | DH-1000 | DH-1200 | DH-1500 | DH-1800 | DH-2000 |
| 直徑mm | Φ600 | Φ800 | Φ1000 | Φ1200 | Φ1500 | Φ1800 | Φ2000 |
| 篩網面積m | 0.24 | 0.45 | 0.67 | 1.0 | 1.6 | 2.43 | 3.01 |
| 篩網規格(目) | 2-500 | ||||||
| 進料粒度mm | <Φ10 | <Φ15 | <Φ20 | <Φ30 | |||
| 振次rpm | 1500 | 1500 | 1500 | 1500 | 1500 | 1500 | 1500 |
| 有效篩面直mm | Φ560 | Φ760 | Φ930 | Φ1130 | Φ1430 | Φ1760 | Φ1960 |
| 層數 | 1-5 | ||||||
| 功率Kw | 0.25 | 0.55 | 0.75 | 1.1 | 1.5 | 2.2 | 3 |
顆粒、粉末、粘液一定范圍內均可篩選。篩分細至500目或0.028mm, 過濾細可至5微米。分級篩選,可篩一至五層篩網,能同時進行二至六個等級的分選或過濾。例如:金屬顆粒、金屬粉末、二氧化錳、電解銅粉、電磁性材料、研磨粉、3D打印材料,二氧化碳等物料。

